电话:13570151199
传真:020-39972520
彩运cy888邮箱:hanyan@hanyancarbon.com
彩运cy888地址:广东省广州市番禺区东环街番禺大道北555号天安总部中心30号楼6层
活性炭吸附床用于沼气净化
彩运cy888 沼气是一种可再生资源,可以通过有机废物的厌氧消化获得,例如污水、动物或食物废物、农业残留物和城市固体废物的有机部分。沼气中常见的污染物是硫化氢和硫化合物与硅氧烷,这些分子含有与氧和卤素相连的硅。为了去除沼气中的污染物,我们提出了一种新的实验方法来评估活性炭对沼气污染物的吸附能力。研究了使用活性炭床作为燃料电池工厂沼气净化单元的主要工艺,从厌氧消化气体去除中去除污染物的吸附机制。这项工作的目的是通过实验确定活性炭的吸附容量与理化性质之间的关系。所呈现作品的新颖性依赖于不同材料分析和严格实验工作的整合。考虑到气体速度对吸附容量的影响,进行了定量分析。
活性炭特性的评估
彩运cy888 分析了五种选定的微污染物吸附商业材料,以确定样品在硫化氢和硅氧烷吸附能力方面的性能。分别为三种蒸汽活化的活性炭,一种载金属氧化物的活性炭,最后是单独的金属氧化物。
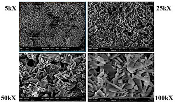
彩运cy888 采用扫描电子显微镜(SEM)结合EDS分析来表征吸附剂样品。局部化学分析通过EDS(能量色散X射线光谱法)实现。定性分析是通过识别光谱中报告的线来实现的,而定量分析(确定元素组成百分比)是通过测量样品中存在的每种元素的线强度来进行的。图1显示了一系列活性炭的SEM图像,放大倍数递增:5000、25,000、50,000、100,000倍。SEM图像说明了活性炭的多孔结构,突出了样品表面不连续性的存在。高孔隙率的存在对于限制鼓风机系统过滤沼气的能量损失是必要的。正如我们之前的一些研究报道的那样,SEM图像与EDS分析相结合可用于突出硫在孔隙和金属基催化位点内的吸附和保留。

彩运cy888 图1:活性炭的SEM图像。
吸附能力的评价
进行实验室测试以评估所选材料的吸附能力。测试是使用三个不同的充满活性炭的反应器进行的,1、4mm微反应器:第一组实验使用内径为4mm的微反应器,填充磨碎的碳,过筛选择粒径为50μm-70μm的颗粒;用医用纱布获得碳保留。反应器的封闭是用带有硫惰性涂层的钢制成的螺母和垫圈实现的:2、大型反应器:最后一组实验使用实验室自建的反应器,内径25mm,填充活性炭。3、向反应器供给来自钢瓶的模拟沼气:沼气成分是根据在现场进行的测量的平均值选择的:62.5%vol甲烷和37.5%vol二氧化碳。使用固定污染物浓度(通常在100和1000ppmv之间)的甲烷钢瓶将硫化氢送入系统。
用于检测硫化氢的传感器是一种电化学装置,可以测量0至200ppmv测量误差在满刻度下从0线性增加到200ppmv。为了找到百分比误差,首先,我们对所有测量值取平均值。然后,我们发现了我们的平均值和真实值之间的差异。传感器的流量限制在500mL/min和1000mL/min之间,因此所有实验都是在考虑该流量范围的情况下进行的。这些实验的目的是使用图2中所示的实验装置计算被碳过滤器吸附的污染物的数量。实验允许确定吸附曲线,这是固定床出口处污染物浓度随时间的演变。该浓度将按照一定趋势从零(当过滤器完全去除污染物时)上升到入口污染物值(饱和,当吸附剂不再过滤任何污染物并且出口浓度等于入口浓度时)。吸附曲线下方的面积是碳材料吸附污染物的量。

彩运cy888 图2:实验装置的布局。
突破吸附量:彩运cy888该值是指滤后污染物浓度达到C/C0固定阈值(文献中通常为1%)的时刻,其中C(mol/m3)为实际的H2气相中的S浓度和C0(mol/m3)是H2S入口浓度。抄送0比率是基本的,当清洁系统旨在保护清洁部分下游的设备时(例如,燃料电池系统可能会被非常低水平的污染物严重损坏),应该准确设置。吸附性能受饱和曲线剖面斜率的影响。如果坡度较浅,即使理想的线性前沿远离床出口,也会更早达到饱和。发生吸附的传质区(MTZ)的长度决定了突破时间。
饱和吸附量:彩运cy888该值与吸附污染物进入过滤器的最大值有关;它是在床出口处的污染物量与入口值相同(C=C0)时评估的。如果系统中有一系列可用的床,此值可能很有用。在这种情况下,第一个清洗容器甚至可以在突破后运行直到饱和(以充分利用材料),因为其他串联床可用。
活性炭吸附容量与硫化氢的相关性
彩运cy888 通过分析EDS分析发现的金属氧化物的类型,研究了硫化氢吸附能力与活性炭表面化学组成之间的关系。在这种情况下,吸附称为“化学吸附”,其中涉及的分子间力导致化学键的形成。硫化氢与样品表面的金属氧化物发生的反应是酸碱型的。从上述实验测试中获得了两组数据。第一组与微反应器内的活性炭粉末有关,另一组涉及大型反应器内接收的活性炭。从收到的活性炭中获得的吸附能力被认为更可靠,因为活性炭颗粒尺寸未随表面特征改变。实验在环境温度下进行,流速等于750mL/min,硫化氢浓度为20ppmv,沼气流速为0.995m/s。第一个关系是指含有钾的活性炭和普通活性炭。图3显示钾的存在对硫化氢吸附的影响。该图显示,含钾活性炭其硫化氢吸附容量是普通活性炭的五倍多。

图3:活性炭中氧化钾含量对硫化氢吸附的影响。
活性炭吸附床用于沼气净化,重点介绍了描述活性炭吸附剂材料去除沼气微污染物性能(吸附能力)的物理现象。在所有污染物中,选择硫化氢和硅氧烷进行实验分析,因为它们在沼气中的浓度较高并且对燃料电池具有显着的不利影响。活性炭的表面化学组成影响硫化氢吸附能力。含钾活性炭和含钙活性炭主要受其化学成分中氧化钙和氧化钾的影响。氧化金属活性炭受其结构中氧化铜含量的强烈影响。所有分析样品的硫化氢吸附能力均受铁的存在影响,活性炭的结构特性影响了硅氧烷的吸附。考虑到气体速度对吸附容量的影响,进行了定量分析。增加沼气速度(+45%和+89%)与硫化氢的吸附能力(-27%和-44%)存在间接相关性。获得和总结的结果被用于制定在大型工厂中去除痕量化合物的策略,例如,用于水净化。所选择的策略是串联插入不同的床以去除特定化合物,例如硫化合物,然后是硅化合物。
文章标签:椰壳活性炭,果壳活性炭,煤质活性炭,木质活性炭,蜂窝活性炭,净水活性炭.推荐资讯
- 2025-10-21活性炭从碱性甘氨酸溶液中吸附铂
- 2025-10-10活性炭金属改性对氢的吸附
- 2025-09-29活性炭吸附有机微污染物
- 2025-09-17活性炭去除对羟基苯甲醚
- 2025-09-09活性炭从水溶液中吸附苯酚
- 2025-08-27活性炭从水溶液中分离甲乙酮
- 2025-08-19活性炭对钴离子的吸附与去除
- 2025-07-30活性炭用于强汞的去除
- 2025-07-23活性炭超声辅助吸附黄金
- 2025-07-16活性炭载二氧化钛协同去除二氯甲烷
- 2025-07-09活性炭从水中吸附脂多糖
- 2025-07-03活性炭净化铜污染的生物柴油
